Når det gjelder skjemategninger, bruker vi ikke Layout/papirrom, men Modellrom.

Oppstart for enlinjeskjema er
- sett inn tegningsramme
- start fordeling med sikringsskillebryter
- eventuelt oversp.avl. og ekvip.skinne
- eventuelt målerarrangement
- tegn videre med for eksempel komplette kurser (vern mangler)
- sett inn vern.
Dersom den "grønne" linja ikke er stiplet - skriv LTSCALE 10.
Innsettingspunkt for målerarrangement og ferdige kurser er på loddrett linje.
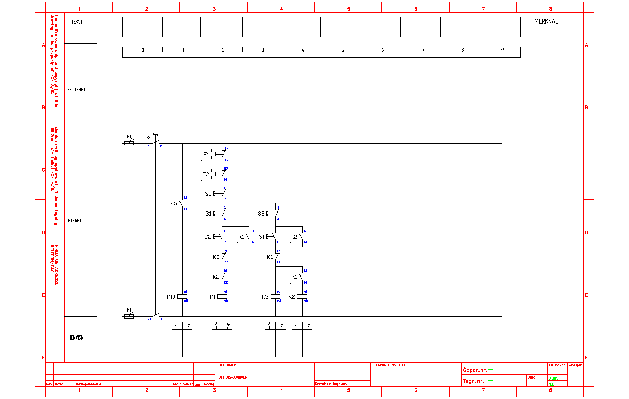
Oppstart for strømveiskjema
- sett inn tegningsramme
- start strømløp (velg type)
- tegn en loddrett strek oppover til første spole
- velg spole
- tegn videre loddrett oppover
- velg ev arbeidskontakt (følg med dialog på kommandolinje)
- velg referanse komponenter
Du kan hente inn ferdige bilder (definer strømløp), innsettingspunkt er nederste linje.
Oppstart flerlinjeskjema
- sett inn tegningsramme
- start flerlinje (sett inn 3 faser øverst i tegningen)
- definer flerlinje (innsettingspunkt i øverste fase)
Oppstart høyspent enlinje
- sett inn tegningsramme
- velg samlingsskinneavgrener (strekk den ved hjelp av STRETCH-kommandoen)
- tegn linje
- sett inn eventuell kabelmuffe
- sett inn eventuell bryter
- sett inn eventuell transformator